?
深圳市郎特科技有限公司
深圳市宝安区永创业城工业园323www.bijinkan-dh.com
电话Q?13823563848
手机Q?3823563848
qq: 375737297
什么是0-10V调光led灯管
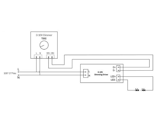
郎特U技0 - 10V 调光 LED 灯管是一U具有特定调光功能的照明灯具Q以下是其相关介l:
工作原理Q? - 10V 调光 LED 灯管是通过接收 0 - 10V 的直电压信h控制灯管的亮度。当输入电压?0V Ӟ灯管处于最低亮度或关闭状态;随着输入电压逐渐升高?10VQ灯的亮度也会相应C最低逐渐调节到最高,q且在这个范围内可以实现q箋、^滑的亮度调节。这U调光方式能够精地控制 LED 灯管的发光强度,满不同场景下对光照亮度的不同需求?/p>
优点
高精度调?/span>Q可以实现较为精的亮度调节Q能够满_U不同场景下对光照强度的_要求。例如在一些对光线要求较高的博物馆、画廊,或者需要根据不同时间段、不同用场景灵z调整亮度的办公室、会议室{场所Q? - 10V 调光能够提供准确的亮度控Ӟ营造出合适的光环境?/p>
兼容性强Q? - 10V 是一U被q泛认可和应用的调光标准Q因此这U?LED 灯管能够与多U不同品牌和cd的调光控制器、照明控制系l兼宏V无论是单的手动调光器,q是复杂的智能照明控制系l,只要支持 0 - 10V 调光接口Q都可以方便C 0 - 10V 调光 LED 灯管配合使用Q便于系l集成和扩展?/p>
E_性好Q这U调光方式相对稳定,能够提供较ؓ一致的调光效果Q减亮度L动和闪烁现象Q有助于保护眼睛Q提高视觉舒适度Q同时也有利于g?LED 灯管的用寿命?/p>
应用场景
商业照明Q在商场、超市、店铺等商业场所Q可Ҏ不同的营业时间、客量以及商品展示需求,灉|调节灯光亮度Q营造舒适的购物环境Q同时也能达到节能的目的。在酒店的大堂、餐厅、客房等区域Q通过 0 - 10V 调光 LED 灯管可以Ҏ不同的场景模式,如白天模式、夜晚模式、休息模式等Q调整灯光亮度,为客人提供舒适的居住体验?/p>
办公照明Q办公室通常需要根据不同的工作d和时间来调节照明亮度。例如,在白天自然光充Ӟ可以降低灯光亮度Q而在晚上或阴天光U较暗时Q提高灯光亮度。通过 0 - 10V 调光 LED 灯管与智能照明控制系l结合,可以实现自动化的亮度调节Q提高办公环境的舒适度和能源利用效率?/p>
家居照明Q在家庭中的客厅、卧室等区域Q? - 10V 调光 LED 灯管可以满不同生活场景下的照明需求。比如在观看电媄Ӟ可以灯光调暗,营造出影院般的氛围Q在阅读Ӟ灯光调节到合适的亮度Q提供舒适的阅读环境?/p>
客户服务热线
13823563848
联系我们
版权所有:深圳市郎特科技有限公司 |站地图
地址Q深圛_宝安区福永创业城工业?23www.bijinkan-dh.com 电话Q?3823563848 备案P_ICP?024352335?1
友情链接Q? 灯具定制厂家 仿石砖生产厂?/a> 建材|企业库 郎特灯管 灯管厂家 牛学|?/a> 云母?/a> 电表 RBC轴承 郎特U技官网 塑料托盘 沈阳늺늼?/a> 宠物ȝ咨询 常州铝业 直线轴承 抖音q告投放 暖气片厂家直销 消防?/a> 上v分类信息 文本Ҏ 沛_铝板 甉|试pȝ 许创业|?/a> 东莞电信宽带 九迦游戏|?/a> 端子工厂 赚钱?/a> led tube 无局部放电耐压试验装置 数字化{型文档下?/a> COB光源 led工矿?/a> 九正灯具|?/a> 灯饰加盟 深圳市郎特科技有限公司 郎特照明