以下是关?0-10V 调光 1.2 c?18w LED 灯管的一些信息:
工作原理
0-10V 调光pȝ主要?0-10V 调光控制器和h 0-10V 调光接口?LED 驱动甉|以及 LED 灯管l成。调光控制器输出 0-10V 的模拟信PLED 驱动甉|Ҏ(gu)接收到的 0-10V 信号来改变输出给 LED 灯管的电(sh)大,从而实现对 LED 灯管亮度的调节。当输入信号?0V ӞLED 灯管处于最低亮度或关闭状态;当输入信号ؓ 10V ӞLED 灯管辑ֈ最大亮度?
产品优势
_调光Q?-10V 调光信号能够实现qx、精的亮度调节Q可以根据不同的环境和需求,_և地调整到所需的亮度,营造出舒适的照明氛围Q满_U场景下的照明要?
节能高效Q通过调节亮度Q可以在不需要高亮度照明旉低能耗,辑ֈ节能的目的。尤其在一些大型商业场所或公共区域,如商场、办公楼、停车场{,采用 0-10V 调光?LED 灯管能够Ҏ(gu)不同旉D늚人流和照明需求进行亮度调节,有效节约能源Q降低运营成?
兼容性好Q?-10V 调光技术是一U较为成熟和通用的调光方式,市场上有多种品牌和型L(fng) 0-10V 调光控制器和 LED 驱动甉|可供选择Q彼此之间的兼容性较好,方便用户Ҏ(gu)实际情况q行搭配和升U照明系l?
寿命廉Q在低亮度状态下工作ӞLED 灯管的发热量相对减少Q这有助于降?LED 芯片的温度,减缓光衰Q从而g?LED 灯管的用寿命,减少更换灯管的频率和l护成本
0-10V 调光 1.2 c?18w LED 灯管规格参数
?/span>品型?/span> | 功率 | 长度(mm) | 光效/w/lm | ?/span>?/span>数量 | 外箱寸/CM |
(Model) | (Power) | Length(mm) | Light effect/w/lm | Pcs/ctn | Outerboxsize/cm |
0-10v调光led灯管 |
|
|
|
|
|
调光LED T8灯管 LT-T8-TG12024W | 24W | 1200 | 100 | 30 | 123*19*17 |
调光LED T8灯管(Aluminum plastic lamp tube) | 18W | 900 | 100 | 30 | 93*19*17 |
调光LEDT8灯管(Aluminum plastic temp tube) | 14W | 600 | 100 | 30 | 63*19*17 |
以下是常见的 0-10V 调光器规|
输入?sh)?
常见范围QAC85-265V、AC90V-240V 、DC12V-DC24V {。调光器Q输入电(sh)压ؓ AC85-265VQ可直接接入市电(sh)Q?DimL1-10-240 型调光驱动器的输入电(sh)压ؓ直流 12-24V.
输出信号
标准?0-10V 模拟信号Q用于控制与之匹配的 LED 驱动甉|或调光电(sh)子整器Q从而调节灯具亮?
输出路数
有单通道和多通道之分。常见的单通道调光器可控制一路灯P多通道调光器则可同时控制多路灯P常见的有 3 路? 路? 路?2 路?8 路?4 路等.
最大电(sh)?
一般单通道调光器的最大电(sh)在 5A-10A 左右Q如 ETH-8008U 的开x大承载电(sh)ؓ 5AQ?DimL1-10-240、NL-801-10A {单通道调光驱动器的最大驱动电(sh)可?10A.
输出功率
不同型号和类型的调光器输出功率差异较大。对于最大电(sh)ؓ 10A 的单通道调光器,?12V 供电(sh)时输出功率一般不过 120WQ?4V 供电(sh)时不过 240WQ如 DimL1-10-240、NL-801-10A {;而像 ETH-8008U q样的大功率调光器,最大负载功率可?800W.
调光范围
通常?0%-100% 无极调光Q可实现qx、连l的亮度调节Q满不同场景下的照明需求,?ETH-8008U 的调光范围ؓ 0-100%Q无频闪.
控制方式
手动旋钮Q通过旋{调光器上的旋钮来手动调节 0-10V 模拟信号Q从而改变灯具亮度,操作单直接,?ETH-8008U、BC-320-010-HV {品都具备此功?
U外遥控Q可使用U外遥控器在一定距d对调光器q行q程控制Q方便在不同位置调节灯光亮度Q遥控距M般在 10 c_叻I如遥控距d?10 c?
外Ş寸与重?
外Ş寸和重量因产品型号和功能而异。如 调光器的外Ş寸?L111×W46×H66 (mm)Q重?0.135kgQDimL1-10-240 型调光驱动器的外形尺ؓ?165× ?39× ?26 (毫米)Q重?124 ?/span>
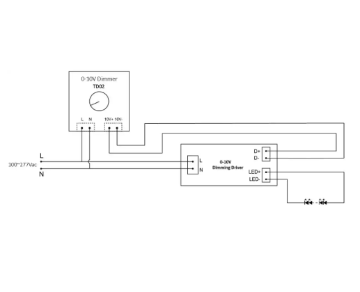
0-10V调光led灯管1.2c?8w接线?/span>

配置led灯管规格?/span>
T8led灯管Q调光T8一体化led灯管Q调光一体化T5led灯管
