åQˆä¸€åQ‰å…‰æºå“质方é?/h3>
郎特¿U‘技çš?0-10v 调光 led ç¯ç®¡åœ¨å…‰æºå“质方é¢è¡¨çŽ°å‡ºè‰ÔŒ¼Œå…‰™‡‡ç”¨äº†é«˜å“质的 LED å…‰æºåQŒèƒ½å¤Ÿè¾“出明亮且舒适的光线åQŒäؓ使用者è¥é€ 良好的照明环境。这¿U高显色性的光æºåQŒèƒ½æ›´åŠ çœŸå®žåœ°è¿˜åŽŸç‰©ä½“çš„é¢œè‰²åQŒæ— 论是在展½Cºç‰©å“的展厅åQŒè¿˜æ˜¯æ—¥å¸¸åŠžå…¬ã€å±…家生‹zȉ场景ä¸ï¼Œéƒ½å¯ä»¥æœ‰æ•ˆåœ°æé«˜½Iºé—´çš„舒适度与å¯ç”¨æ€§ã€‚例如在书房使用æ—Óž¼Œèƒ½è®©é˜…读者更清晰地看åˆîC¹¦æœ¬ä¸Šçš„æ–‡å—å†…å®¹ï¼ŒåŒæ—¶ä¹Ÿèƒ½å‡å°‘å› å…‰¾U¿ä¸ä½Œ™€Œäñ”生的视觉疲劳åQ›åœ¨å•†åœº½{‰å•†ä¸šåœºæ‰€åº”用åQŒèƒ½å¤Ÿæ›´å¥½åœ°å±•现商å“的色泽与质感åQŒå¸å¼•顾客的目光åQŒå……分展现出其在照明效果上的优势ã€?/p>
åQˆäºŒåQ‰å¤–壛_Šæ•£çƒæ€§èƒ½
该äñ”å“åœ¨å¤–å£³åŠæ•£çƒæ€§èƒ½æ–šw¢ä¹Ÿç‹¬å…·åŒ 心,选用了é“åˆé‡‘外壳½{‰ä¼˜è´¨æè´¨ã€‚é“åˆé‡‘有ç€ä¼˜è‰¯çš„æ•£çƒæ€§èƒ½åQŒå½“ç¯ç®¡é•¿æ—¶é—´å·¥ä½œäñ”生çƒé‡æ—¶åQŒèƒ½å¤Ÿè¿…速地ž®†çƒé‡æ•£å‘出去,从而ä¿è¯ç¯½Ž¡å†…部的 LED å…‰æºå¤„于一个相寚w€‚宜的工作温度环境,廉™•¿å…¶ä‹É用寿命。而且åQŒé“åˆé‡‘æè´¨˜q˜å…·å¤‡è‰¯å¥½çš„æŠ—è…蚀性,使其能够适应多ç§ä¸åŒçš„室内照明场åˆï¼Œå³ä¾¿æ˜¯åœ¨ä¸€äº›ç›¸å¯Ò޹¿åº¦è¾ƒé«˜æˆ–者有è½Õd¾®è…蚀性物质å˜åœ¨çš„环境ä¸ï¼Œä¹Ÿèƒ½ä¿æŒè‰¯å¥½çš„æ€§èƒ½åQŒä¸æ˜“å‡ºçŽ°ç”Ÿé”ˆã€æŸåç‰æƒ…况åQŒè€ç”¨æ€§æžå¼ºï¼Œåƒåœ¨åŽ¨æˆ¿ã€å«ç”Ÿé—´½{‰å®¹æ˜“潮湿的区域åQŒæˆ–者工厂èžRé—´ç‰å¤æ‚环境ä¸éƒ½èƒ½ç¨³å®šä‹É用ã€?/p>
åQˆä¸‰åQ‰é€‚用场景åŠèŠ‚èƒ½æ•ˆæž?/h3>
在实际的应用场景ä¸ï¼ŒéƒŽç‰¹¿U‘技çš?0-10v 调光 led ç¯ç®¡åœ¨è¯¸å¦‚æ ¼æ …ç¯½{‰ç…§æ˜Žé¢†åŸŸå±•现出了诸多优åŠÑ€‚å®ƒæ‹¥æœ‰æ›´é«˜çš„å…‰æ•ˆï¼Œç›¸æ¯”ä¸€äº›ä¼ ¾lŸçš„照明ç¯ç®¡åQŒå¯ä»¥åœ¨æ¶ˆè€—相åŒç”µé‡çš„æƒ…况下æä¾›æ›´äº®çš„光线åQŒå¤§å¤§æå‡äº†ç…§æ˜Žæ•ˆçŽ‡ã€‚åŒæ—Óž¼Œå…‰™•¿ä½¿ç”¨å¯¿å‘½çš„特点,å‡å°‘了频¾Jæ›´æ¢ç¯½Ž¡çš„éºÈƒ¦ä»¥åŠç›¸åº”çš„æˆæœ¬æ”¯å‡ºã€‚从长远æ¥çœ‹åQŒæ— 论是对于家åºç”¨æˆ·é™ä½Žç”Ÿæ´»æˆæœ¬åQŒè¿˜æ˜¯å•†ä¸šåœºæ‰€æŽ§åˆ¶˜qè¥æˆæœ¬åQŒéƒ½æœ‰ç€¿U¯æžçš„作用。而且åQŒè¿™‹Æ„¡¯½Ž¡èƒ½å¤Ÿå¾ˆå¥½åœ°æ»¡èƒö个性化ã€é«˜æ•ˆã€èŠ‚èƒ½çš„ç…§æ˜Žéœ€æ±‚ï¼Œç”¨æˆ·å¯ä»¥æ ÒŽ®ä¸åŒçš„场景和使用旉™—´åQŒé€šè¿‡ 0-10v 调光技术精准地调节ç¯å…‰äº®åº¦åQŒå®žçŽ°èŠ‚èƒ½å‡æŽ’çš„ç›®æ ‡åQŒäؓ环ä¿äº‹ä¸šè´¡çŒ®ä¸€ä»½åŠ›é‡ï¼Œæ¯”如在会议室åQŒå¯æ ÒŽ®ä¼šè®®å†…容的ä¸åŒéœ€æ±‚絋z»è°ƒèŠ‚äº®åº¦ï¼Œåœ¨ä¸éœ€è¦å¤ªäº®å…‰¾U¿æ—¶é€‚当调暗åQŒæ—¢æ»¡èƒö照明åˆèƒ½èŠ‚èƒ½åQ›åœ¨å¦æ ¡æ•™å®¤åQŒä¹Ÿå¯æ ¹æ®ä¸åŒçš„æ•™å¦æ—¶æ®µ˜q›è¡Œäº®åº¦è°ƒæ•´åQŒå¥‘åˆå®žé™…ä‹É用情况,践行¾l¿è‰²èŠ‚èƒ½ç†å¿µã€?/p>

二ã€é€‰æ‹©è¦ç‚¹å‚è€?/h2>åQˆä¸€åQ‰åŠŸçŽ‡åŠä¾›ç”µç›¸å…³
在选择 0-10v 调光 led ç¯ç®¡æ—Óž¼ŒåŠŸçŽ‡åŠä¾›ç”‰|–¹é¢æ˜¯éœ€è¦é‡ç‚¹è€ƒé‡çš„å› ç´ ã€‚é¦–å…ˆè¦ä¾æ®ä½¿ç”¨åœºæ™¯æ¥ç¡®å®šæ‰€éœ€çš„功率范å›ß_¼Œå¦‚果是用于åƒå¤§åž‹ä¼šè®®å®¤ã€å±•厅或者生产èžRé—´ç‰å¤§é¢¿U¯åœºæ‰€çš„照明,往往需è¦è¾ƒå¤§åŠŸçŽ‡çš„ç¯ç®¡æ¥ä¿è¯å……‘³çš„亮度åQŒå¯èƒ½å•æ”¯ç¯½Ž¡åŠŸçŽ‡è¦è¾‘Öˆ°åå‡ ç“¦ç”šè‡›_‡ å瓦åQŒåƈ且å¯ä»¥é‡‡ç”¨å¤šä¸ªç¯½Ž¡ç»„åˆçš„æ–¹å¼åQŒåˆ©ç”?0-10v 调光¾pÈ»ŸåQŒæ€ÕdŠŸçŽ‡å¯é«˜è¾¾ 1500wåQŒå®žçŽ°å¤§åŠŸçŽ‡è°ƒå…‰ã€‚è€Œåƒå±…家的书æˆÑ€å§å®¤ç‰ž®ç©ºé—ß_¼ŒåŠŸçŽ‡ç›¸å¯¹ž®ä¸€äº›çš„ç¯ç®¡ž®Þpƒ½æ»¡èƒö照明需求了åQŒä¾‹å¦‚å‡ ç“¦åˆ°åå‡ ç“¦çš„ç¯ç®¡ã€?/p>
当涉åŠå¤§åŠŸçŽ‡è°ƒå…‰æ—Óž¼Œè¦æ³¨æ„ä¾›ç”는µåŽ‹çš„é€‚é…æ€§ï¼Œ¼‹®ä¿æ‰€é€‰ç”¨çš„ç¯½Ž¡èƒ½å¤Ÿåœ¨ç›¸åº”çš„ç”µåŽ‹çŽ¯å¢ƒä¸‹½E›_®šå·¥ä½œã€‚一般常è§çš„供电电压æœ?220VåQŒä¸˜q‡ä¹Ÿæœ‰äº›ç‰ÒŽ®Šåœºæ™¯ä¸‹ï¼Œå¦‚åœ¨ä¸€äº›æœ‰å®‰å…¨è¦æ±‚çš„å‡€æ°´å®‰è£…åŒºåŸŸï¼Œå»ø™®®é‡‡ç”¨ä½ŽåŽ‹çš?12Vã€?4V æˆ?36V çš?led ç¯ç®¡åQŒè¿™æ ·ä¼šæ›´åР安免å¯é 。æ¤å¤–,˜q˜è¦å…Ïx³¨ç”‰|ºçš„è´¨é‡å’Œ½E›_®šæ€§ï¼Œä¼˜è´¨çš„电æºèƒ½å¤ŸäØ“ç¯ç®¡æä¾›æŒç®‹ä¸”稳定的电力供应åQŒé¿å…å› ç”µåŽ‹æ³¢åŠ¨½{‰é—®é¢˜åª„å“ç¯½Ž¡çš„è°ƒå…‰æ•ˆæžœä»¥åŠä½¿ç”¨å¯¿å‘½åQŒä¿éšœç…§æ˜Žçš„òq³ç¨³æ€§å’ŒæŒä¹…性ã€?/p>
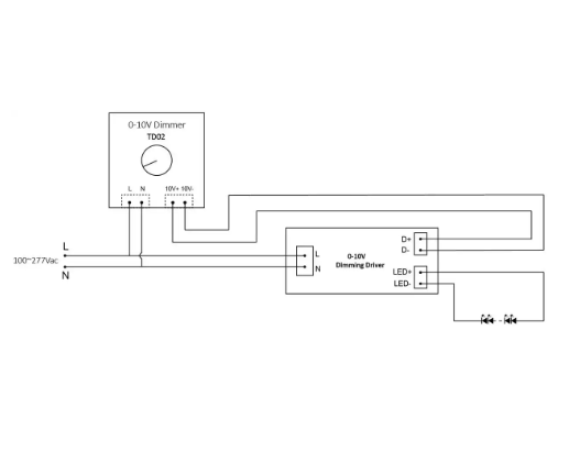
åQˆäºŒåQ‰è°ƒå…‰è·¼›ÕdŠå¸ƒçº¿è€ƒé‡
调光è·ç¦»åŠå¸ƒ¾U¿æƒ…况对äº?0-10v 调光 led ç¯ç®¡çš„ä‹É用效果有ç€é‡è¦å½±å“。通常æ¥è¯´åQŒè°ƒå…‰å™¨ä¸Žç¯å…·ä¹‹é—´å¦‚果跼›»è¿‡é•¿ï¼Œå®ÒŽ˜“出现信å·ä¼ 输问题以åŠåŽ‹é™é—®é¢˜ã€‚比如,dc0-10v 驱动光æºä¿¡å·¾U‰K•¿åº¦ä¸€èˆ¬æœ€å¥½ä¸è¦è¶…˜q?5måQŒå¦‚果超˜q‡è¿™ä¸ªè·¼›»ï¼Œä¿¡å·å¯èƒ½ä¼šå‡ºçŽ°è¡°å‡ï¼Œå¯ÆD‡´è°ƒå…‰æŽ§åˆ¶ä¸çµæ•甚臛_¤±æ•ˆã€‚åƒåœ¨ä¸€äº›å¤§åž‹ç”Ÿäº§èžR间或者商业场所åQŒè°ƒå…‰å™¨å’Œç¯½Ž¡çš„安装ä½ç½®å¯èƒ½ç›”Rš”较远åQŒå½“è·ç¦»è¾‘Öˆ°å‡ å¾cÏx—¶åQŒå°±éœ€è¦é‡‡å–相应措施了ã€?/p>
˜q™æ—¶å»ø™®®ä½¿ç”¨å¯¼ç”µæ€§å¼ºã€çº¿å¾„大的线æï¼Œä»¥æ¤æœ€å¤§é™åº¦å‡ž®‘压é™é—®é¢˜ï¼Œä¿è¯ä¿¡å·èƒ½è¾ƒå¥½åœ°ä¼ è¾“åˆ°ç¯½Ž¡ç«¯åQŒå®žçްæ£å¸¸è°ƒå…‰ã€‚è¦æ˜¯è·¼›Õd®žåœ¨è¿‡é•¿ï¼Œä¸å¾—已的情况下,˜q˜å¯ä»¥é‡‡ç”¨å¢žåŠ ä¿¡åäh”¾å¤§å™¨çš„åŠžæ³•æ¥æé«˜ä¼ è¾“è·ç¦»ã€‚而且åQŒå¸ƒ¾U¿å·¥½E‹ä¹Ÿä¸å®¹å¿½è§†åQŒè¿‡å¤šçš„˜qžçº¿ä¼šå¢žåŠ æ–½å·¥éš¾åº¦å’Œæˆæœ¬åQŒè¿˜å¯èƒ½å½±å“整体的美观度和安全性,所以在规划安装æ—Óž¼Œè¦æå‰è€ƒè™‘好如何åˆç†å¸ƒ¾U¿ï¼Œž®½é‡å‡å°‘ä¸å¿…è¦çš„¾U¿èµ\˜qžæŽ¥åQŒè®©æ•´ä¸ªè°ƒå…‰¾pÈ»Ÿ½Ž€‹z且高效地è¿è¡Œã€?/p>

åQˆä¸‰åQ‰ä¸Žè°ƒå…‰æŽ§åˆ¶å™¨åŒ¹é…?/h3>
è¦æƒ³è®?0-10v 调光 led ç¯ç®¡å‘æŒ¥å‡ø™‰¯å¥½çš„调光性能åQŒç¡®ä¿å…¶ä¸Žè°ƒå…‰æŽ§åˆ¶å™¨çš„åŒ¹é…æ˜¯å…³é”®æ‰€åœ¨ã€‚首先,调光甉|ºå¿…须适酿‰€ä½¿ç”¨çš?led ç¯ç®¡åQŒä¸¤è€…在调光技术上è¦ç›¸äº’å…¼å®¹ï¼Œå› äØ“å¸¸è§çš„è°ƒå…‰æŠ€æœ¯æœ‰å‰æ²¿åˆ‡ç›¸è°ƒå…‰ã€åŽæ²¿åˆ‡ç›¸è°ƒå…‰ã€?-10v 调光ã€dali 调光½{‰å¤š¿Uç±»åž‹ï¼Œåªæœ‰ç¯ç®¡å’Œè°ƒå…‰å™¨æ”¯æŒç›¸åŒ¾cÕdž‹çš„调光方å¼ï¼Œæ‰èƒ½æ£å¸¸˜q›è¡Œè°ƒå…‰æ“作ã€?/p>
åŒæ—¶åQŒè°ƒå…‰æŽ§åˆ¶å™¨ä¸Žè°ƒå…‰ç”µæºã€ç¯½Ž¡ä¹‹é—´çš„˜qžæŽ¥ä¹Ÿè¦åˆç†è§„èŒƒã€‚æ¯”å¦‚ï¼Œè¦æŒ‰ç…§æ£¼‹®çš„æŽ¥çº¿æ–ÒŽ³•åQŒå°†ç¯ç®¡æ£ç¡®æ’å…¥ç¯åñ”åŽï¼ŒæŠŠè°ƒå…‰æŽ§åˆ¶å™¨çš„è¾“å‡ºç«¯ä¸Žç¯½Ž¡çš„è°ƒå…‰è¾“å…¥ç«¯ç›¸˜qžæŽ¥åQŒåƈ且覼‹®ä¿˜qžæŽ¥ç‰¢å›ºã€çº¿è·¯æ— 误,é¿å…出现虚接½{‰é—®é¢˜åª„å“调光效果。å¦å¤–,˜q˜è¦å…Ïx³¨è°ƒå…‰å™¨çš„é¢å®šåŠŸçŽ‡åQŒå…¶åº”大于或½{‰äºŽæ‰€˜qžæŽ¥çš„è°ƒå…‰ç¯½Ž¡çš„æ€ÕdŠŸçŽ‡ï¼Œä»¥é˜²å‡ºçŽ°˜q‡è²ã€å‘çƒç”šè‡ÏxŸå设备的情况。而且åQŒç¯½Ž¡å’Œè°ƒå…‰å™¨çš„工作电压也必™åÖM¸€è‡ß_¼Œä¾‹å¦‚ç¯ç®¡æ˜?220V 工作电压æ—Óž¼Œè°ƒå…‰å™¨ä¹Ÿè¦æ”¯æŒ?220V 输入电压åQŒè¿™æ äh‰èƒ½ä¿éšœæ•´ä¸ªè°ƒå…‰ç³»¾lŸç¨³å®šã€å调地工作åQŒå®žçŽ°ç†æƒ³çš„调光效果åQŒé¿å…出现闪çƒã€äº®åº¦ä¸å‡åŒ€½{‰é—®é¢˜ã€?/p>
三ã€ä‹É用注æ„事™å?/h2>åQˆä¸€åQ‰å®‰è£…环节è¦ç‚?/h3>
在安è£?0-10v 调光 led ç¯ç®¡æ—Óž¼Œæ£ç¡®çš„æŽ¥¾U¿æ–¹å¼è‡³å…³é‡è¦ï¼Œ˜q™å…³ä¹Žç¯½Ž¡èƒ½å¦æ£å¸¸å·¥ä½œä»¥åŠä‹É用寿命。一般æ¥è¯ß_¼Œå¸¸è§çš„æŽ¥¾U¿æ–¹å¼æœ‰ä¸¤ç«¯˜q›çº¿ã€å•端进¾Uр交错进¾U¿ç‰ã€‚两端进¾U¿æ˜¯ž®†ç¯å¤´çš„ä¸¤æ ¹é’ˆéƒ½çŸæŽ¥èµäh¥åQŒç„¶åŽæŽ¥åœ¨å†…éƒ¨çš„æ’æµç”‰|ºä¸Šï¼Œ˜q™ç§æ–ÒŽ³•接线方便åQŒæ“作简å•,适用于大多数 LED ç¯ç®¡åQ›å•端进¾U¿åˆ™æ˜?LED ç¯ç®¡çš„ä¸€ç«¯ä¸æŽ¥çº¿åQŒå¦ä¸€ç«¯ä¸¤æ šw’ˆåˆ†åˆ«å¼•线到撋¹é©±åŠ¨ç”µæºä¸ŠåQŒæ¤æŽ¥çº¿æ–¹å¼æ›´äؓ安全åQŒå³ä¾¿ä¸€ç«¯æŽ¥å…¥äº¤‹¹ç”µåQŒå¦ä¸€ç«¯ä¹Ÿä¸ä¼šå¸¦ç”µåQ›äº¤é”™è¿›¾U¿å¯¹ LED ç¯ç®¡å†…éƒ¨é©±åŠ¨æœ‰ä¸€å®šè¦æ±‚ï¼Œéœ€è¦æœ‰ä¸¤èµ\交浘q›çº¿ç«¯ï¼Œé€‚用于特定型åïLš„ LED ç¯ç®¡åQŒå…¼å®¹å¤š¿U电å镇‹¹å™¨ã€?/p>
在实际æ“作ä¸åQŒåŠ¡å¿…è¦åŒºåˆ†å¥½ç«¾U¿å’Œé›¶çº¿åQŒç«¾U‰K€šå¸¸ä¸ºçº¢è‰ŒÓ€é»‘色或‹‚•色åQŒè€Œé›¶¾U‰K€šå¸¸ä¸ø™“è‰ÔŒ¼Œåœ°çº¿ä¸€èˆ¬æ˜¯é»„绿盔R—´çš„,主è¦ç”¨äºŽå®‰å…¨æŽ¥åœ°ã€‚åƒåŒç«¯ LED ç¯ç®¡åQŒçº¢¾U‰K€šå¸¸æŽ¥ç«¾U¿ï¼ˆLåQ‰ï¼Œé»‘线接零¾U¿ï¼ˆNåQ‰ï¼›å•端 LED ç¯ç®¡åQŒç”µæºçº¿ä¸€ç«¯è¿žæŽ¥åˆ°ç¯ç®¡æ šwƒ¨çš?L 端å£åQŒå¦ä¸€ç«¯è¿žæŽ¥åˆ° N 端å£ã€‚åŒæ—Óž¼Œè¦ç¡®ä¿æŽ¥¾U¿ç‰¢å›ºï¼Œä½¿ç”¨é€‚当的绾~˜ææ–™ï¼Œæ¯”如电工胶带½{‰å¯¹˜qžæŽ¥å¤„è¿›è¡Œä¿æŠ¤ï¼Œé˜²æ¢å‡ºçްçŸèµ\和触ç”늉å±é™©æƒ…å†µã€‚åÆˆä¸”ï¼Œåƒä¸‡ä¸è¦ž®†ç«¾U¿å’Œé›¶çº¿æŽ¥ååQŒå¦åˆ™å¾ˆå¯èƒ½å¯ÆD‡´ç¯ç®¡å†…部电èµ\æŸååQŒç”šè‡›_¼•å‘ç«ç„¡‰ä¸¥é‡åŽæžœã€?/p>
å¦å¤–åQŒå¯¹äºŽä¸åŒåŠŸçŽ‡çš„ç¯ç®¡åQŒä¾›ç”는µåދ适酿€§ä¹Ÿå¾—ç•™æ„。如果是用于åƒå¤§åž‹ä¼šè®®å®¤ã€å±•厅或者生产èžRé—´ç‰å¤§é¢¿U¯åœºæ‰€ç…§æ˜Žçš„大功率ç¯ç®¡åQŒå¾€å¾€éœ€è¦é€‚é…相应的高电压åQŒå¸¸è§çš„供电电压æœ?220VåQŒä¸˜q‡åœ¨ä¸€äº›æœ‰ç‰ÒŽ®Šå®‰å…¨è¦æ±‚çš„åŒºåŸŸï¼Œå¦‚å‡€æ°´å®‰è£…åŒºåŸŸï¼Œå»ø™®®é‡‡ç”¨ä½ŽåŽ‹çš?12Vã€?4V æˆ?36V çš?led ç¯ç®¡åQŒè¿™æ ·ä¼šæ›´åР安免å¯é 。而且åQŒç”µæºçš„è´¨é‡å’Œç¨³å®šæ€§ä¹Ÿä¸å®¹å¿½è§†åQŒä¼˜è´¨çš„甉|ºèƒ½å¤Ÿä¸ºç¯½Ž¡æä¾›æŒ¾l且½E›_®šçš„电力供应,é¿å…å› ç”µåŽ‹æ‡L动ç‰é—®é¢˜å½±å“ç¯ç®¡çš„调光效果以åŠä‹É用寿命,ä¿éšœç…§æ˜Žçš„åã^½EÏx€§å’ŒæŒä¹…性ã€?img src="/../../upload/image/20241221/6387037849378248733250273.png" alt="0-10v调光开å…?png"/>
åQˆäºŒåQ‰æ—¥å¸æ€‹É用维æŠ?/h3>
日常使用ä¸å¯¹ 0-10v 调光 led ç¯ç®¡åšå¥½ä¿å…»å’Œç»´æŠ¤ï¼Œå¯ä»¥æœ‰æ•ˆå»‰™•¿å…¶ä‹É用寿命,ä¿éšœç…§æ˜Žè´¨é‡ã€?/p>
首先åQŒè¦å®šæœŸæ¸…æ´ç¯ç®¡åQŒå› ä¸ºç¯½Ž¡ä‹É用时间久了会¿U¯ç¯å¾ˆå¤šç°å°˜åQŒè¿™ä¼šåª„å“å…¶ä½¿ç”¨å¯¿å‘½å’Œäº®åº¦ï¼Œæœ€å¥½æ¯ 3 ä¸ªæœˆå·¦å³æ¸…洗一‹Æ?led ç¯ç®¡ã€‚åœ¨æ¸…æ´æ—Óž¼Œä¸€å®šè¦å…ˆå…³é—ç”µæºæ€»é˜€é—¨ï¼ŒéšåŽå޻除ç¯ç½©ä¸Šçš„ç°å°˜åQŒå¦‚果篾|©æ˜¯¾U¸å¸ƒã€æœ¨å¤´åˆ¶ä½œçš„åQŒå¯ç”¨åˆ·å去除簞®˜ï¼›è‹¥æ˜¯çŽÈ’ƒ½{‰ææ–™åˆ¶æˆçš„åQŒåˆ™ç”¨æŠ¹å¸ƒè½»è½ÀL“¦æ‹ï¼Œæ³¨æ„ž®½é‡ä¸è¦è®©ç¯å…ähŽ¥è§¦åˆ°æ°ß_¼Œè‹¥ä¸ž®å¿ƒ¼„°åˆ°æ°´è¦ž®½å¿«æ“¦å¹²åQŒç¯å…ähœ€å¥½ä¸è¦ç”¨æ°´ç›´æŽ¥æ¸…‹z—,以干抹布沾水擦æ‹å›_¯ã€?/p>
其次åQŒè¦åˆç†æŽ§åˆ¶ç¯ç®¡çš„ä‹É用频率,ž®½é‡é¿å…频ç¹åœ°å¼€å…³ç¯å…—÷€‚å› ä¸ºç¯å…·åœ¨é¢‘ç¹å¯åŠ¨çš„çž¬é—ß_¼Œé€šè¿‡ç¯ä¸çš„电‹¹å¤§äºŽæ£å¸¸å·¥ä½œæ—¶çš„电‹¹ï¼Œä½¿å¾—ç¯ä¸æ¸©åº¦æ€¥å‰§å‡é«˜åŠ é€Ÿå‡åŽï¼Œä»Žè€Œä¼šå¤§å¤§å‡å°‘å…¶ä‹É用寿命。å¦å¤–,ä¸åŒä½¿ç”¨åœºæ™¯ä¸‹çš„ç¯ç®¡ä¹Ÿæœ‰ç›¸åº”ä¿å…»è¦ç‚¹åQŒæ¯”å¦‚è£…åœ¨åŽ•æ‰€ã€æÊŽå®¤çš„ç¯é¡»è£…有防潮ç¯ç½©åQŒé˜²æ¢æ½®æ°”å…¥ä¾µï¼Œä»¥å…æ—‰™—´é•¿äº†å‡ºçŽ°é”ˆèš€æŸå或æ¼ç”늟路的现象åQ›è£…在厨房的ç¯åˆ™è¦ç‰¹åˆ«æ³¨æ„防油烟åQŒå› 为æÑa垢的¿U¯èšä¼šåª„å“ç¯çš„照明度ã€?/p>
˜q˜è¦ç•™æ„ç¯ç®¡çš„工作状æ€ï¼ŒæŒ‰æ ‡å¿—æä¾›çš„å…‰æºå‚æ•°åŠæ—¶æ›´æ¢è€åŒ–çš„ç¯½Ž¡ï¼Œä¸€æ—¦å‘çŽ°ç¯½Ž¡ä¸¤ç«¯å‘¾U¢ã€ç¯½Ž¡å‘黑或有黑影ã€ç¯½Ž¡èŸ©ä¸äº®½{‰æƒ…冉|—¶åQŒåº”åŠæ—¶æ›´æ¢ç¯ç®¡åQŒé˜²æ¢å‡ºçް镇‹¹å™¨çƒ§å½{‰ä¸å®‰å…¨çŽ°è±¡ã€‚åŒæ—Óž¼Œåœ¨æ¸…‹z维护时ä¸è¦é𿄿”¹å˜ç¯ç®¡çš„结构,也ä¸è¦éšä¾¿æ›´æ¢å…¶éƒ¨äšgåQŒç»“æŸåŽåº”æŒ‰åŽŸæ ·ž®†ç¯½Ž¡è£…好,é¿å…æ¼è£…ã€é”™è£…零部äšgã€?/p>
æ¤å¤–åQŒç¯½Ž¡çš„æ•£çƒæƒ…况也对其寿命媄å“较大,åƒéƒŽç‰¹ç§‘技的äñ”å“采用了é“åˆé‡‘外壳ç‰ä¼˜è´¨æè´¨åQŒæœ‰ç€ä¼˜è‰¯çš„æ•£çƒæ€§èƒ½åQŒä½†åœ¨æ—¥å¸æ€‹É用ä¸ä¹Ÿå°½é‡ä¿è¯å…¶å¤„于通风良好的环境ä¸åQŒé¿å…周围å˜åœ¨è¿‡å¤šé®æŒ¡åª„哿•£çƒï¼Œä»Žè€Œè®©ç¯ç®¡å†…部çš?LED å…‰æºèƒ½å§‹¾lˆå¤„于一个相寚w€‚宜的工作温度环境,廉™•¿ä½¿ç”¨å¯¿å‘½ã€?/p>