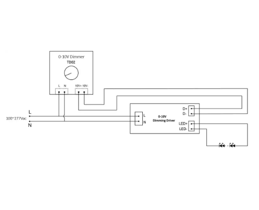
0-10v 调光原理q?/h2>
0-10v 调光是一U常用于调光pȝ的模拟电(sh)压调光方式,其原理是通过改变灯具输入的电(sh)压来控制光的亮度。当输入?sh)压?10v Ӟ灯具会达到最大亮度,如同将灯光开到最亮的状态;而当输入?sh)压降低?0v Ӟ灯具则会关闭Q灯光随之熄灭。在 0v ?10v q个区间内,通过调整输入?sh)压的具体大数|可以实现灯具的连l调光,以此满大家在不同场景下的个性化照明需求,比如在卧室休息时可以调暗灯光营造舒适氛_在书房工作时则可以调亮一些保证充照明等?/p>
分体式灯接U?/h3>
分体?0-10v 调光 led 灯管在接U时有单端通电(sh)和双端通电(sh)q两U常见情况,以下为?zhn)详细介绍其接U要点及注意事项?/p>
单端通电(sh)接线Ҏ(gu)Q?a href="http://www.bijinkan-dh.com/" target="_self">led 灯管的一端不接线Q另外一端两栚w分别引线到恒驱动电(sh)源上Qƈ且两个灯头之间没有Q何的q接关系。这U接U方式最大的好处是安全Q即便灯一端接上了交流?sh),另一端也不会带电(sh)。比如在一些只需单边供电(sh)的照明场景中Q采用单端通电(sh)接线p很好地满需求,同时降低了意外触늭安全风险?/p>
双端通电(sh)接线Ҏ(gu)Qled 灯管灯头每一头的两个针脚内部是分别短接在一L(fng)Q当作一个电(sh)极用,重点是只需要一栚w通电(sh)可以了Q外面再分别接电(sh)源的火线 L 和零U?N。我们可以通过万用表来q行判断Q两头短路时?sh)阻均ؓӞ两端之间的?sh)d相对较大。在像一些需要两端同时供甉|保障灯管E_发光Q提供均匀照明效果的场所Q如较长的灯带或者大型的照明区域{,双端通电(sh)接线方式更为适用?/p>
不过Q无论是单端通电(sh)q是双端通电(sh)接线Q都需要提前关闭电(sh)源,防止在接U过E中出现触电(sh)危险。而且在接U完成后Q要仔细查各q接Ҏ(gu)否牢固,避免出现村֊D接触不良{问题,随后再通电(sh)试灯管能否正常工作?/p>
一体化灯管接线
一体化 0-10v 调光 led 灯管接线相对来说较ؓ便,以下是具体的接线步骤和相兌炏V?/p>
首先Q将厂家配备的接头插入灯头内Q这是很关键的一步,要确保接头插入到位,保证q接的稳固性。然后,对于接线位置Q通常是把黄绿U接地线Q其它两根线分别接火U和零线卛_。一般单头的两个脚分别接零线和火U,q里要注意的是不需要镇器和v辉器Q就是会闪烁的那个圆׃Q,而且?t8 一体化 led 灯管?t5 一体化 led 灯管接线图是一L(fng)Q它们一般都?3 根线。例如在家庭室内照明或者小型商业场所的照明灯具中Q如果采用的是一体化 led 灯管Q按照这L(fng)接线方式操作Q就能让灯管正常发光工作QؓI间提供合适的照明亮度?/p>
在接U过E中Q同栯先关闭电(sh)源,q且仔细核对好各U\Q避免接错,接线完成后也要认真检查,防止出现短\{异常情况,保障使用安全和灯的正常调光功能?/p>

接线注意事项
在进?0-10v 调光 led 灯管接线Ӟ以下q些注意事项(zhn)可得牢C心:
把控控制器输出电(sh)压范?/h3>
首先要确保调光控制器的输出电(sh)压范围在 0-10v 之间Q这是实现正常调光的基础条g。因Z旦输出电(sh)压超个范_比如高于 10vQ可能会使灯具长旉处于q蝲状态,Ҏ(gu)损坏灯具的内部电(sh)路元Ӟ~短灯具使用寿命Q而若?sh)压低?0v 或者达不到相应的启动电(sh)压要求,灯具则可能无法正常点亮,也就没办法实现调光功能了。例如在一些大型会议室使用 0-10v 调光 led 灯管q行照明布置Ӟ如果控制器输出电(sh)压异常,׃影响整个会议场景的灯光氛围营造,甚至D照明故障?/p>
严格遵@产品说明书接U?/h3>
不同型号、不同款式的 0-10v 调光 led 灯管Q其接线方式可能存在差异。有的灯可能是分体式设计,接线时要区分单端通电(sh)和双端通电(sh)的不同接法;而一体化灯管又有着自己特定的接U步骤和要点。所以在接线前,务必仔细查看产品说明书,严格按照说明书上标注的接U方法来操作。像郎特U技生的某些型L(fng)一体化 0-10v 调光 led 灯管Q就需要先厂安备的接头插入灯头内ƈ保插入CQ然后按照黄l线接地U,其它两根U分别接火线和零U的规则接线。若不依照说明书接线Q随意连接线路,很可能出现火U和零线接反的情况,q不仅会使灯h法正常调光,q可能造成内部?sh)\损坏Q严重时甚至引发火灾{安全事故?/p>
保持灯具调光输入端与甉|的合理距?/h3>
灯具的调光输入端和电(sh)源之间应保持一定的距离Q避免两者距过q生干扎ͼq而导致调光效果不佟뀂比如在一些空间有限的配电(sh)附q安?0-10v 调光 led 灯管Ӟ如果没有注意q个距离问题Q调光时可能会出现灯光闪烁、亮度不E_{现象,影响正常的照明体验和使用效果?/p>
避免灯具q蝲使用
在安装和使用q程中,要避免灯兯载用。灯L(fng)功率都是有一定额定值的Q如果接入的甉|功率q大Q超Z灯具可承受的范围Q长旉下来灯具容易因q热而损坏内部的?sh)子元gQ像 led 芯片、驱动电(sh)源等关键部g都可能被烧坏Q得灯h法正常工作。相反,若电(sh)源功率过,灯具则可能无法达到正常的亮度Q也没办法实现有效的调光操作。例如在商业店铺照明中,同时开启过多的 0-10v 调光 led 灯管Q而电(sh)源d率却没有与之匚wQ就Ҏ(gu)出现灯具q蝲的问题,影响店铺的正常照明以及灯光氛围营造?/p>
MQ只有在接线q程中充分留意这些注意事,才能保接线安全Q同时让 0-10v 调光 led 灯管发挥好的调光效果Q满_U不同场景下的照明需求?/p>

灯具与电(sh)源匹配要?/h2>
在?0-10v 调光 led 灯管Ӟ灯具与电(sh)源的匚w是至关重要的一点,特别是电(sh)源功率和灯具d率的匚w情况Q直接媄响着灯具能否正常工作以及其用寿命等?/p>
从原理上来说Q灯L(fng)功率和电(sh)源的功率应该怺匚wQ这h能保证灯h常工作。如果电(sh)源的功率q大Q可能会D灯具短\或过热,甚至损坏灯具。因大的甉|功率意味着可能会有q大的电(sh)通过灯具Q对?LED 灯而言QLED 灯的亮度和寿命与驱动甉|直接相关Q过大电(sh)会加?LED 灯的老化Q媄响其寿命Q像 LED 芯片、驱动电(sh)源等关键部g都可能因长时间过热而被烧坏Q得灯h法正常工作。例如在一些商业店铺照明中Q若接入的电(sh)源功率远灯具可承受范围Q同时开启过多的 0-10v 调光 led 灯管Ӟ容易出现灯兯载损坏的问题Q媄响店铺的正常照明以及灯光氛围营造?/p>
而如果电(sh)源的功率q小Q可能会D灯具亮度降低Q媄响用效果,也没办法实现有效的调光操作,比如灯具无法辑ֈ正常的亮度等情况出现?/p>
所以,在选择甉|Ӟ一般来说电(sh)源的功率应略大于灯具的额定功率,但不能过大。同时还要考虑甉|的电(sh)压、电(sh)和E_性等因素Q电(sh)源的输出?sh)压应该与灯L(fng)额定?sh)压相匹配,输出甉|也应与灯L(fng)额定甉|相匹配,q且甉|要具备稳定的输出?sh)压和?sh),q样才能保证灯具的正常工作?/p>
不过Q对于很多用者来_准确把握甉|与灯L(fng)匚wq易事。因此,大家在购买调光灯hQ咨询专业h士或者直接联p郎特科技的工作h员,让专业h员帮忙把养I保选择到合适的甉|Q保障灯具可以正怋用,充分发挥?0-10v 调光功能Q满_U不同场景下的照明需求?/p>