调光led{灯安规认证要求
led{灯有着严格的安规要求。我国的3C认证、欧?CE 认证{都?EMC ?PF 作了具体的规定,Ƨ盟正式发布定向灯和 LED 灯及其相兌备的 ErP 实施措施。其?C认证要求灯具必须通过 EMC 插入损耗?EMC 端子骚扰电压?EMC 辐射늣骚扰?EMC 谐L{测试ƈW号要求?/p>
>( EU )NO1194/2012《关于定向灯?LED 灯及相关讑֤生态设计要求的实施?span style="text-wrap: wrap;">施》?/span>
> LED {灯甉|要选择通过3C?CE 认证的电源,同时要选择效率高?PF 值的甉|?br/>
国强制?FCC 和澳z的 C - TICK Q是?EMC ?EMS 认证Q?CE 认证包括 EMC ?LVD ?/p>
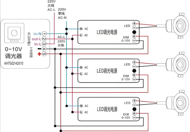
LED 调光{灯是电源更换ؓ调光甉|Q要注意 LED 调光{灯在调光时是否闪烁Q是否兼Ҏ(gu)能调光系l?LED 调光{灯E_性和兼容性好Q调光无闪烁Q还要兼容\创、邦奇?ABB 、快思聪、永林、河东等{各c调光系l?LED 调光{灯调光C意囑֦图所C?LED 调光{灯调光甉|可兼容前沿斩波调光器和后沿斩波调光器?/p>
在电?20V频率50Hz的交电源条件下Q调光器调至最大调节状态,产品应完全满CQC3128-2013?LED {灯节能认证技术规范》的各项要求。调光状态下的光通量应在标称范围内连l可调或均匀可调Q品在调光q程中,应能保持正常工作状态,不允许出现熄灭的情况?/p>

注意事项Q?/p>
在输入端交流相线Q?L Q前串接晉调光器Q即可调节电源输出恒甉|数倹{请量使用功率一些的调光器,以获得更宽的调光范围。大功率调光器很隑֮现输出电调到零?/p>
一体化调光调色温led{灯采用2.4G高频无线微触按键遥控控制Q具有功耗低、传输距远、空中通信速率高,抗干扰性更强,E_性更高和灯体响应一致性很好等特点Q遥控器外Ş时尚观Q功能实用简单;采用目前最先进?PWM Q脉宽调Ӟ控制技术;无线电发频率ؓ2400~2483.5MHz(2.4G)Q全球通用Q遥控距?0~30m。具有调光、调色温、小夜灯模式{等功能Q在遥控范围内,一个遥控器可以控制无数?LED 灯,而且同步性、一致性很好。将不同的灯分到不同的组Q最多分4l,自由分组Q同时控制或分别控制Q在完成 LED 灯和遥控器的pȝ对码匚w和分l完成后Q就可以实现各种功能的无U控制?/p>

调光led{灯接线?/p>