双管荧光灯改led灯管接线?/span>
市面上关于老旧日光灯改led灯管的方法,大多为单?a href="http://www.bijinkan-dh.com/" target="_self">led灯管ҎQ目前还很少有双支荧光灯改led灯管的方法?/span>
下面我们郎特U技Z介绍?/span>
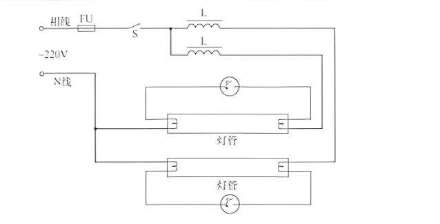
双管荧光灯工作原理是需要镇器的参与的Q否则无法点亮。由于是两套镇流器,U\q比较复杂。那么,我们如何改呢Q?/span>
一、电感式双管荧光灯改led灯管接线
对于甉|式双架比较简单,Ҏ有两U?/span>
1、直接摘掉启辉器Q双荧光灯T8支架上有两个启辉器,直接LQ将合格的led灯管装上d可以了?/span>
2、改U\Q由于电感镇器会消耗电能,需要去掉,以便于节能。去掉连接线以后Q支架两端有4个灯座,如何接线呢?
很简单,两端灯分别采用q联的方式即可。两端ƈ联的灯Q各自引Z条通电U,分别接零U火U即可?/span>
二、电子式双管荧光灯改led灯管接线
对于电子镇流器,必须全部L。改法基本和甉|式支架一栗即Q两端灯座ƈ联,分别引出零线火线Q大功告成?/span>
三、将两支荧光灯改?LED 灯管Q可按以下步骤进行:
1、所需工具和材?/span>
工具Q螺丝刀、电W、剪UK、剥UK?/span>
材料QLED 灯管、绝~胶带楼盘网?/span>
2、改造步?/span>
关闭甉|Q在q行改装前,务必关闭荧光灯的甉|总闸Qƈ用电W测试确认无电,以确保操作安全?/span>
拆除荧光灯管和相关配Ӟ打开荧光灯的灯罩Q将荧光灯管从灯座上取下。通常荧光灯有两种安装方式Q一U是两边?/span>
弹簧的,用点力向其中一Ҏ一下就可以取出Q另一U是扭动的,把灯旋转半圈,使灯的接线插针正好对准灯管支架
的安装缝Q即可轻松拆除。然后用Z刀拧下固定启辉器和镇流器的ZQ剪断连接镇器的电U,启辉器和镇器?/span>
灯具中取出?/span>
处理U\Q如果是甉|镇流器,可以不做M修改Q但如果是电子镇器Q要线全部剪断Q去掉电子镇器Q将零线?/span>
火线分别接到灯的两头。注意,接线时要保늺q接牢固Qƈ用绝~胶带包扎好Q防止短路和漏电?/span>
3、安?LED 灯管Q将两支 LED 灯管两端的接U插针对准灯座的安装~,轻轻攑օq旋转半圈,使灯固定在灯上?/span>
4、打开甉|试Q确认所有安装和接线工作完成后,打开甉|总闸Q检?LED 灯管是否正常亮v。如果双灯有一?/span>
不亮Q应立即关闭甉|Q重新检查线路连接和双管灯管安装是否正确?/span>

双管荧光灯原理图

双管led灯管接线?/span>