双管led灯管替换双管荧光灯方法步?/p>
深圳市郎特科技有限公司双管 LED 灯管替换双管荧光灯,通常有兼定w器和免镇流器直q两U方式,其中免镇器直连较ؓ常见Q以下是具体Ҏ步骤Q?/p>

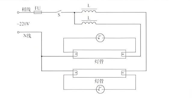
准备工作Q关闭电源,保在断늚情况下进行操作,以保障hw安全。准备好Z刀{工P用于拆卸灯具外壳和相关部件?/p>
拆卸旧部?/span>Q打开灯具外壳Q找到ƈ拆除原有的电子镇器。有些电子镇器可能与灯L电\集成在一P需要小心分L剪断相关q接Uѝ拧下双荧光灯Q将其从灯上取下?/p>
接线Q找到电子镇器输入端的两根甉|U,一般棕色ؓ火线Q蓝色ؓ零线。将q两根线直接q接到双?LED 灯管的输入线上,LED 灯管的两根输入线通常U色接火U,黑色接零Uѝ连接方式是两支灯ƈ联,即火U分别连接到两支灯管的火U输入端Q零U分别连接到两支灯管的零U输入端?/p>
查与试Q检查接U是否正、牢固,认无问题后装回灯具外壳Q接通电源,查看灯管是否正常亮v?img src="/../../upload/image/20250905/6389266615666892877038119.png" alt="双管led灯管带支?png"/>
不同品牌和型L双管 LED 灯管在接U细节上可能会有所不同Q因此在操作前一定要仔细阅读产品说明书。如果对甉|知识了解有限Q徏议请专业电工q行接线Q以保安全和正怋用?a href="http://www.bijinkan-dh.com" _src="http://www.bijinkan-dh.com" style="font-size: 10px; text-decoration: underline;">www.bijinkan-dh.com 