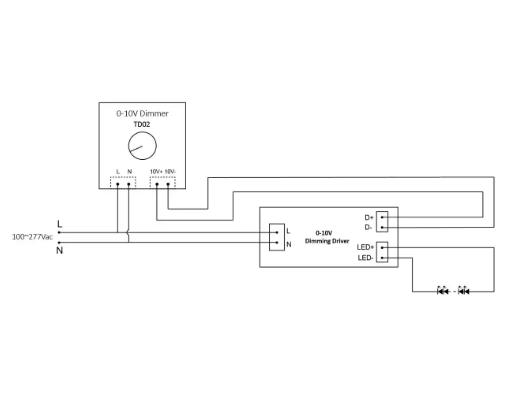
深圳?jng)郎特科技有限公司0-10V 调光pȝ是当前商用及(qing)工业照明中常用的模拟调光Ҏ(gu)Q核?j)通过 “主甉|回\?供电(sh)??-10V 信号回\?控制亮度Q二者独立且需规范接线才能实现E_调光。以下是详细接线Ҏ(gu)与关键注意事V?/p>
接线前需明确pȝ三大核心(j)部gQ避免接错接口:(x)
0-10V 调光灯具Q自?“电(sh)源输入端子”(通常?L、NQ接?jng)?sh)Q和 “调光信L(fng)子”(通常?+ 10V、GND/0VQ接调光信号Q,部分灯具?x)将两组端子集成在同一接线盒,需注意区分标识?/p>
0-10V 调光?/span>Q分 “独立调光器”(仅输?gu)光信P(j)?“集成电(sh)源调光器”(同时提供甉|与信P(j)Q输出端需有明的 ?10V”“GND?标识Q部分调光器q支?“公qQCOMQ”,需对应灯具信号端子?/p>
配套U材Q主甉|回\需?2.5mm̔ ?qing)以上铜芯线Q根据灯具功率选择Q避免过载)(j)Q调光信号回路需?0.75-1.0mm̔ 屏蔽U(减少늣q扰Q避免调光闪烁)(j)Q不用非屏蔽U(其在强?sh)密集环境?j)?/p>

通过规范接线与严格遵循注意事,0-10V 调光pȝ可实现稳定、^滑的亮度控制Q同时g长灯具与调光器的使用寿命Q避免安全事故与讑֤损坏?img src="/../../upload/image/20250903/6389249444711404169298321.png" alt="0-10v调光甉|.png"/>
www.bijinkan-dh.com