调光 LED 灯管厂家的方案与使用指南
深圳市郎特科技有限公司是调?LED 灯管厂家Q我们免Ҏ供方案与使用指南
调光Ҏ多样
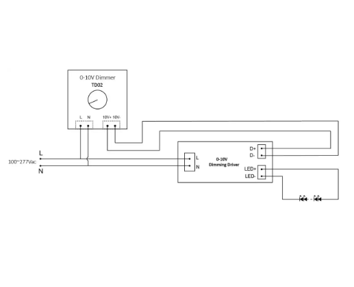
0 - 10V 调光ҎQ此Ҏ在美z应用广泛。原理是 0V 时灯灭,1V 时较亮,?10V 时达满功率亮度。调光器负蝲功率 200 - 300WQ若需大量调光Q要配备相关pȝ。当 DC0 - 10V 驱动光源信号U超 5mQ徏议用导电性强、线径大的线材,或加信号攑֤器解军_降问题。如生车间调光灯管目Q满_支带|支架装 2 ?18W 灯管Q?5 套一l,d?900WQ调光器与灯兯?40 c的条g。采用铝塑管调光灯管Q内|?0 - 10V 调光甉|Q单端通电实现需求,但安装时要注意两端接U,避免接反烧毁灯管?/span>
应急调光方?/span>Q应?LED 灯管带调光功能,集断电应急照明与感应调光于一体。内|逆变器和充电甉|Q用于应急照明;qx可作雯感应灯管Q如车库、停车场、过道照明,实现无h 5W、有?18W 的智能{换。分体式 T8 应急调光灯适配M T8 支架Q安装前查长度匹配;一体式则无需支架Q装卡扣后通电即亮?/span>
调光调色温方?/span>Q灯由 LED 灯板Q双色温两条Q和内置甉|、调光调色电源构成。通过调节甉|大小控制 LED 灯珠亮度Q调节两条灯板(?3000K 低色温?500K 高色温)亮暗比例实现调色温。如要暖色温Q?000K 灯板发光Q要冯温,6500K 灯板发光Q要中性光 4000KQ两灯管各亮一半合光Uѝ可人工调光Q厂安调光开养I也可电脑控制Q利?5G ?WIFI q距L能化遥控?img src="/../../upload/image/20250807/6389017667788353548157921.png" alt="调光灯管.png"/>
使用指南Q方法便?/span>
安装Q选兼容调光开养I断电后按说明书将 LED 灯管正确装到灯具内。如Ƨ司?LED 灯管Q安装前认调光开兛_Ҏ?/span>
接线Q?/span>
调节亮度与色?/span>Q?/span>
