?
深圳市郎特科技有限公司
深圳市宝安区永创业城工业园323www.bijinkan-dh.com
电话Q?13823563848
手机Q?3823563848
qq: 375737297
0-10V 调光 LED 三防?/a>如何布线及优~点
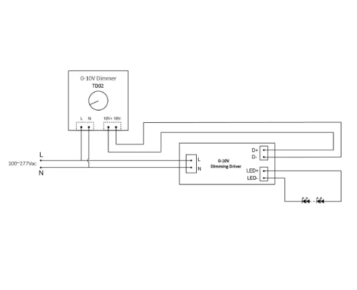
郎特照明0 - 10V 调光 LED 三防?/a>的布U方式较为复杂,且这U灯h调光性能好、兼Ҏ强{优点,但也存在成本高、布U复杂等~点。以下是详细介绍Q?/p>布线Ҏ甉|布线Qؓ灯具提供E_的电源输入,通常采用两根U连接电源与灯具的电源输入端Q确保电压符合灯兯求,一般ؓ直流 24V 或其他特定电压?/p>调光控制U布U?/span>Q用一Ҏ多根屏蔽U作?0 - 10V 调光控制Uѝ将调光控制器的 0 - 10V 输出端与 LED 三防灯的调光控制输入端连接,以传输调光控制信受如果有多盏灯具需要同步调光,可将调光控制Uƈ联连接到每一盏灯L调光控制端,但要注意U\长度和信可减问题?/p>接地U布U?/span>Qؓ保安全Q需q接一根专用的接地Uѝ将灯具的接地端与接地系l可靠连接,接地电阻应符合相兛_全标准要求,一般不大于 4 Ƨ姆?/p>优缺?/h3>优点_调光Q? - 10V 调光信号能够实现?LED 三防灯的_亮度调节Q可以根据不同的环境需求和场景Q将灯光亮度调整到合适的水^Q满_U照明需求?/p>U性调?/span>Q具有良好的U性调光特性,卌光信号与灯具亮度呈线性关p,能够提供qx、自然的调光效果Q避免出C度突变或闪烁现象Q保护眼睛,提高视觉舒适度?/p>兼容性强Q? - 10V 调光标准是一U被q泛接受的工业标准,与各U调光控制器、传感器和照明控制系l具有良好的兼容性,可以方便地集成到不同的智能照明系l中Q实现智能化的照明控制和理?/p>可靠性高Q采用电压信号传输调光指令,抗干扰能力较强,能够在恶劣的工业环境中稳定工作,减少因信号干扰导致的调光不稳定或灯具故障问题Q提高照明系l的可靠性和E_性?/p>~点布线复杂Q需要专门的调光控制U,布线成本和难度较高。在一些复杂的照明pȝ中,可能需要铺讑֤量的U缆Q增加了施工工作量和成本Q同时也可能影响建筑物的观度?/p>成本较高Q? - 10V 调光 LED 三防灯本w以及配套的调光控制器等讑֤h相对较高Q增加了整个照明pȝ的采购成本。此外,׃布线复杂Q后期的l护成本也可能较高?/p>信号传输距离有限Q? - 10V 调光信号在传输过E中会有一定的衰减Q因此信号传输距d到限制。一般来_传输距离不宜过 1000 cI否则可能会出现调光精度下降或信号不稳定的情况。在大型工业场所或长距离照明pȝ中,可能需要用信h大器{设备来廉信号传输距离Q这又会q一步增加成本和pȝ复杂性?/p>
甉|布线Qؓ灯具提供E_的电源输入,通常采用两根U连接电源与灯具的电源输入端Q确保电压符合灯兯求,一般ؓ直流 24V 或其他特定电压?/p>
调光控制U布U?/span>Q用一Ҏ多根屏蔽U作?0 - 10V 调光控制Uѝ将调光控制器的 0 - 10V 输出端与 LED 三防灯的调光控制输入端连接,以传输调光控制信受如果有多盏灯具需要同步调光,可将调光控制Uƈ联连接到每一盏灯L调光控制端,但要注意U\长度和信可减问题?/p>
接地U布U?/span>Qؓ保安全Q需q接一根专用的接地Uѝ将灯具的接地端与接地系l可靠连接,接地电阻应符合相兛_全标准要求,一般不大于 4 Ƨ姆?/p>
优点
_调光Q? - 10V 调光信号能够实现?LED 三防灯的_亮度调节Q可以根据不同的环境需求和场景Q将灯光亮度调整到合适的水^Q满_U照明需求?/p>
U性调?/span>Q具有良好的U性调光特性,卌光信号与灯具亮度呈线性关p,能够提供qx、自然的调光效果Q避免出C度突变或闪烁现象Q保护眼睛,提高视觉舒适度?/p>
兼容性强Q? - 10V 调光标准是一U被q泛接受的工业标准,与各U调光控制器、传感器和照明控制系l具有良好的兼容性,可以方便地集成到不同的智能照明系l中Q实现智能化的照明控制和理?/p>
可靠性高Q采用电压信号传输调光指令,抗干扰能力较强,能够在恶劣的工业环境中稳定工作,减少因信号干扰导致的调光不稳定或灯具故障问题Q提高照明系l的可靠性和E_性?/p>
~点
布线复杂Q需要专门的调光控制U,布线成本和难度较高。在一些复杂的照明pȝ中,可能需要铺讑֤量的U缆Q增加了施工工作量和成本Q同时也可能影响建筑物的观度?/p>
成本较高Q? - 10V 调光 LED 三防灯本w以及配套的调光控制器等讑֤h相对较高Q增加了整个照明pȝ的采购成本。此外,׃布线复杂Q后期的l护成本也可能较高?/p>
信号传输距离有限Q? - 10V 调光信号在传输过E中会有一定的衰减Q因此信号传输距d到限制。一般来_传输距离不宜过 1000 cI否则可能会出现调光精度下降或信号不稳定的情况。在大型工业场所或长距离照明pȝ中,可能需要用信h大器{设备来廉信号传输距离Q这又会q一步增加成本和pȝ复杂性?/p>
客户服务热线
13823563848
联系我们
版权所有:深圳市郎特科技有限公司 |站地图
地址Q深圛_宝安区福永创业城工业?23www.bijinkan-dh.com 电话Q?3823563848 备案P_ICP?024352335?1
友情链接Q? 灯具定制厂家 仿石砖生产厂?/a> 建材|企业库 郎特灯管 灯管厂家 牛学|?/a> 云母?/a> 电表 RBC轴承 郎特U技官网 塑料托盘 沈阳늺늼?/a> 宠物ȝ咨询 常州铝业 直线轴承 抖音q告投放 暖气片厂家直销 消防?/a> 上v分类信息 文本Ҏ 沛_铝板 甉|试pȝ 许创业|?/a> 东莞电信宽带 九迦游戏|?/a> 端子工厂 赚钱?/a> led tube 无局部放电耐压试验装置 数字化{型文档下?/a> COB光源 led工矿?/a> 九正灯具|?/a> 灯饰加盟 深圳市郎特科技有限公司 郎特照明