深圳郎特U技0 - 10V 调光 LED 工矿?/a>是一U通过 0 - 10V 直流电压信号来调节灯具亮度的照明讑֤Q在工业照明领域应用较ؓq泛。以下是其相关介l:
_调光Q能够根据输入的 0 - 10V 电压信号_地调?LED 光源的亮度,实现?0% ?100% 的连l调光,满不同场景下的照明亮度需求?/p>
兼容性强Q? - 10V 调光信号是一U行业标准的调光接口Q这U工矿灯可以方便C各种h 0 - 10V 调光输出功能的照明控制系l或调光器兼容,如智能照明控制系l、楼宇自动化pȝ{,便于实现集中控制和智能化理?/p>
U性调光特?/span>Q在整个调光范围内,灯具的亮度与输入电压呈线性关p,能够提供qx、均匀的调光效果,避免了调光过E中出现闪烁或亮度突变的现象Qؓ用户提供舒适的视觉体验?/p>
节能效果显著Q通过_调光Q可以根据实际照明需求实时调整灯具亮度,避免了不必要的能源浪贏V例如,在白天自然光充或R间内部分区域无h作业Ӟ可以降低灯具亮度Q从而达到节能的目的?/p>
可靠性高Q采用成熟的 0 - 10V 调光技术和高品质的电子元gQ灯具具有较高的E_性和可靠性,能够在长旉的用过E中保持良好的调光性能Q减维护成本和灯具更换频率?/p>

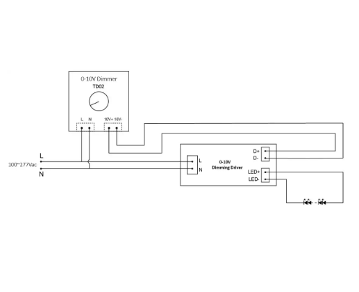
0 - 10V 调光 LED 工矿灯主要由 LED 光源、恒驱动电源、调光控制电路等部分l成。恒驱动电源ؓ LED 光源提供E_的直电,以保?LED 的正常工作和寿命。调光控制电路则负责接收外部?0 - 10V 调光信号QƈҎ该信h调节恒流驱动甉|输出的电大,从而实现对 LED 光源亮度的控制?/p>
当输入的 0 - 10V 电压信号?0V Ӟ调光控制电\使恒驱动电源输出最电,LED 光源处于最低亮度或关闭状态;当输入电压信号逐渐升高?10V Ӟ调光控制电\相应地增加恒驱动电源的输出甉|QLED 光源的亮度也随之逐渐升高Q直臌到最大亮度。通过q种方式Q实C灯具亮度与输入电压信LU性调节?/p>

工业厂房Q在机械加工、电子制造等工业厂房中,不同的生产环节可能对照明亮度有不同的要求? - 10V 调光 LED 工矿灯可以根据生产流E和工作区域的实际需求,灉|调整照明亮度Q提高工作效率,同时节约能源。例如,在精密加工区域需要较高的照明亮度Q而在仓库存储区域则可以适当降低亮度?/p>
物流仓库Q物仓库通常面积较大Q货物的出入库操作在不同旉D和不同区域q行。?0 - 10V 调光 LED 工矿灯,可以Ҏ仓库内的人员zd情况和货物存储密度,实时调整灯具亮度。如在货物装卸区域,当有车辆q出和h员作业时Q将灯具亮度调至较高水^Q在无h作业的货架区域,则降低亮度,以节省能源?/p>
停R?/span>Q无论是室内停R是室外停车场Q都可以采用 0 - 10V 调光 LED 工矿灯。在白天或停车场内R辆和人员较少Ӟ灯具亮度调臌低水qI在夜间或车辆q出高峰期,提高灯具亮度Q确保行车和行h安全。通过与R辆检系l或旉控制装置相结合,实现化的调光控制Q达到节能和廉灯具寿命的目的?/p>
商业建筑Q在商场、超市、写字楼{商业徏{的一些公共区域,如走廊、楼梯间{,也可以应?0 - 10V 调光 LED 工矿灯。结合h体感应传感器或光照度传感器,Ҏ人员的活动情况和环境光照度自动调节灯具亮度,提供舒适的照明环境Q同旉低能耗?/p>