?
深圳市郎特科技有限公司
深圳市宝安区永创业城工业园323www.bijinkan-dh.com
?sh)话Q?13823563848
手机Q?3823563848
qq: 375737297
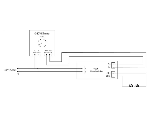
以下?0-10V 调光 LED 投光?/a>原理及接U方法的介绍Q?/p>0-10V 调光 LED 投光?/a>原理0-10V 调光属于模拟信号调光技术,主要通过改变输入到灯L(fng) 0-10V ?sh)压信号来控制?sh)源输出电(sh),q而调?LED 投光灯的亮度。具体过E如下:(x)调光信号产生Q调光器产生 0-10V 的直电(sh)压信P该信号作为控制信可出。例如,当需要降低灯光亮度时Q调光器输出较低的电(sh)压|?2VQ当需要增加亮度时Q输高的?sh)压|?8V?/p>信号传输与接?/span>Q调光器输出?0-10V 信号通过信号U传输到 LED 投光灯的驱动甉|。驱动电(sh)源内部的?sh)\?x)对q个信号q行识别和处理?/p>甉|调节Q驱动电(sh)源根据接收到?0-10V 信号Q相应地调整输出l?LED 灯珠的电(sh)大。当输入?sh)压?0V Ӟ驱动甉|输出的电(sh)几乎ؓ(f)ӞLED投光灯熄灭;当输入电(sh)压ؓ(f) 10V Ӟ驱动甉|输出最大电(sh),LED 投光灯达到最大亮度。而在 0-10V 之间的不同电(sh)压|则对应着不同的中间亮度别,从而实Cq箋的调光功能?/p>0-10V 调光 LED 投光灯接U方?/h3>所需材料和工?/span>材料Q?-10V 调光 LED 投光灯?-10V 调光器、电(sh)源线、信L(fng)、接U端子、绝~胶带等?/p>工具Q电(sh)钅R螺丝刀、剥UK、万用表{?/p>接线步骤准备工作Q关闭电(sh)源,保在无늊态下q行接线操作Q以防止触电(sh)危险。用剥UK剥去甉|U和信号U两端的l缘外皮Q露出适量的金属导Uѝ?/p>q接甉|U?/span>Q将市电(sh)的火U(一般ؓ(f)U色或棕色线Q连接到调光器的甉|输入端的火线接线端子上,零线Q一般ؓ(f)蓝色U)q接到调光器甉|输入端的零线接线端子上。然后,从调光器的电(sh)源输出端引出两根U,分别q接?LED 工矿灯的甉|输入端的相应接线端子上,通常 LED投光灯的甉|U也?x)有明确的标识,?“L?接火U,“N?接零U?span style="-webkit-font-smoothing: antialiased; box-sizing: border-box; -webkit-tap-highlight-color: ; outline: none; word-break: break-all;">4?/p>q接信号U?/span>Q将调光器的 0-10V 信号输出端通过信号U连接到 LED投光灯的调光信号输入端。有?投光灯可能只有一个专用的调光信号输入端子Q此时将信号U的一端连接到该端子上卛_Q如果有多个端子Q需要根据品说明书定具体的连接方式,通常?x)标?“DIM???-10V?{标?span style="-webkit-font-smoothing: antialiased; box-sizing: border-box; -webkit-tap-highlight-color: ; outline: none; word-break: break-all;">7?/p>查与固定Q接U完成后Q用万用表查线路连接是否正,有无短\或断路情c确认无误后Q用l缘胶带接U处包裹好,做好l缘防护Q防止漏c同Ӟ灯具和调光器固定在合适的位置Q整理好U\Q避免线路杂乱或受到外力拉扯?/p>试Q打开甉|Q通过调光器调?0-10V 的电(sh)压信P观察 LED投光灯的亮度是否随着信号?sh)压的变化而相应地改变Q以验证接线是否正确和调光功能是否正常。如果发现灯光亮度异常或调光不灵敏等问题Q应及时关闭甉|Q重新检查接U和讑֤是否存在故障?/p>
0-10V 调光属于模拟信号调光技术,主要通过改变输入到灯L(fng) 0-10V ?sh)压信号来控制?sh)源输出电(sh),q而调?LED 投光灯的亮度。具体过E如下:(x)
调光信号产生Q调光器产生 0-10V 的直电(sh)压信P该信号作为控制信可出。例如,当需要降低灯光亮度时Q调光器输出较低的电(sh)压|?2VQ当需要增加亮度时Q输高的?sh)压|?8V?/p>
信号传输与接?/span>Q调光器输出?0-10V 信号通过信号U传输到 LED 投光灯的驱动甉|。驱动电(sh)源内部的?sh)\?x)对q个信号q行识别和处理?/p>
甉|调节Q驱动电(sh)源根据接收到?0-10V 信号Q相应地调整输出l?LED 灯珠的电(sh)大。当输入?sh)压?0V Ӟ驱动甉|输出的电(sh)几乎ؓ(f)ӞLED投光灯熄灭;当输入电(sh)压ؓ(f) 10V Ӟ驱动甉|输出最大电(sh),LED 投光灯达到最大亮度。而在 0-10V 之间的不同电(sh)压|则对应着不同的中间亮度别,从而实Cq箋的调光功能?/p>
所需材料和工?/span>
材料Q?-10V 调光 LED 投光灯?-10V 调光器、电(sh)源线、信L(fng)、接U端子、绝~胶带等?/p>
工具Q电(sh)钅R螺丝刀、剥UK、万用表{?/p>
接线步骤
准备工作Q关闭电(sh)源,保在无늊态下q行接线操作Q以防止触电(sh)危险。用剥UK剥去甉|U和信号U两端的l缘外皮Q露出适量的金属导Uѝ?/p>
q接甉|U?/span>Q将市电(sh)的火U(一般ؓ(f)U色或棕色线Q连接到调光器的甉|输入端的火线接线端子上,零线Q一般ؓ(f)蓝色U)q接到调光器甉|输入端的零线接线端子上。然后,从调光器的电(sh)源输出端引出两根U,分别q接?LED 工矿灯的甉|输入端的相应接线端子上,通常 LED投光灯的甉|U也?x)有明确的标识,?“L?接火U,“N?接零U?span style="-webkit-font-smoothing: antialiased; box-sizing: border-box; -webkit-tap-highlight-color: ; outline: none; word-break: break-all;">4?/p>
q接信号U?/span>Q将调光器的 0-10V 信号输出端通过信号U连接到 LED投光灯的调光信号输入端。有?投光灯可能只有一个专用的调光信号输入端子Q此时将信号U的一端连接到该端子上卛_Q如果有多个端子Q需要根据品说明书定具体的连接方式,通常?x)标?“DIM???-10V?{标?span style="-webkit-font-smoothing: antialiased; box-sizing: border-box; -webkit-tap-highlight-color: ; outline: none; word-break: break-all;">7?/p>
查与固定Q接U完成后Q用万用表查线路连接是否正,有无短\或断路情c确认无误后Q用l缘胶带接U处包裹好,做好l缘防护Q防止漏c同Ӟ灯具和调光器固定在合适的位置Q整理好U\Q避免线路杂乱或受到外力拉扯?/p>
试Q打开甉|Q通过调光器调?0-10V 的电(sh)压信P观察 LED投光灯的亮度是否随着信号?sh)压的变化而相应地改变Q以验证接线是否正确和调光功能是否正常。如果发现灯光亮度异常或调光不灵敏等问题Q应及时关闭甉|Q重新检查接U和讑֤是否存在故障?/p>
客户服务热线
13823563848
联系我们
版权所有:(x)深圳市郎特科技有限公司 |站地图
地址Q深圛_宝安区福永创业城工业?23www.bijinkan-dh.com ?sh)话Q?3823563848 备案P(x)_ICP?024352335?1
友情链接Q? 灯具定制厂家 仿石砖生产厂?/a> 建材|企业库 郎特灯管 灯管厂家 牛学|?/a> 云母?/a> ?sh)?/a> RBC轴承 郎特U技官网 塑料托盘 沈阳늺늼?/a> 宠物ȝ咨询 常州铝业 直线轴承 抖音q告投放 暖气片厂家直销 消防?/a> 上v分类信息 文本Ҏ(gu) 沛_铝板 甉|试pȝ 许创业|?/a> 东莞?sh)信宽?/a> ?ji)迦游戏|?/a> 端子工厂 赚钱?/a> led tube 无局部放?sh)耐压试验装置 数字化{型文档下?/a> COB光源 led工矿?/a> ?ji)正灯具|?/a> 灯饰加盟 深圳市郎特科技有限公司 郎特照明