?
深圳市郎特科技有限公司
深圳市宝安区永创业城工业园323www.bijinkan-dh.com
电话Q?13823563848
手机Q?3823563848
qq: 375737297
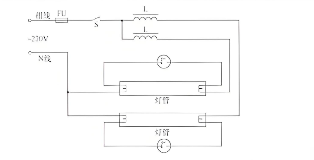
双支 T8 LED 灯管又叫双管T8led灯管Q意思就?支T8led灯管?/p>
以下是双?T8 LED 灯管吊杆安装ҎQ?/p>
材料Q?a href="http://www.bijinkan-dh.com/html/news/4/" target="_self">双支 T8 LED 灯管、吊杆(通常为金属材质,Ҏ需要选择合适长度)、吊Ӟ用于q接吊杆和灯)、膨胀Z或其他固定gQ根据安装位|选择Q、电Uѝ接U盒{?/p>
工具Q电钅R螺丝刀、扳手、剥UK{?/p>
定安装位置Q根据照明需求和室内布局Q确定双?T8 LED 灯管的安装位|。确保安装位|上Ҏ_的空间用于安装吊杆,q且附近有电源插座或接线炏V?/p>
安装吊杆Q用电d天花板上打孔Q然后将膨胀Z或其他固定g安装在孔中。将吊杆的一端通过吊g与固定gq接Q确保吊杆垂直且牢固地固定在天花板上。如果需要调整吊杆的长度Q可以用扳手等工具q行调节?/p>
q接灯管与吊?/span>Q将双支 T8 LED 灯管的两端分别安装在对应的吊件上。通常Q吊件会有专门的卡槽或夹子,用于固定灯管。确保灯安装牢固,不会晃动?/p>
q接늺Q打开接线盒,电源线的火U和零线分别q接?LED 灯管的驱动电源输入端。注意,要按照正的接线方式q行q接Q一般火U接 L 端,零线?N 端。如果不定Q可以参考灯的说明书或咨询专业人士。连接好后,用剥UK多余的늺剪掉Qƈ使用Z刀接U盒的盖子拧紧?/p>
试灯管Q在通电之前Q再ơ检查所有的q接是否牢固Q电U是否有裔R或短路的情况。确认无误后Q将甉|插头插入插Q打开开养I试双支 T8 LED 灯管是否正常发光。如果灯不亮,应立卛_闭电源,查接U是否正或灯管是否损坏?/p>
整理和清z?/span>Q安装完成后Q整理好工具和剩余材料,清洁安装现场Q确保周围环境整z?/p>
安装q程中如涉及甉|操作Q徏议由专业电工q行Q以保安装安全和电气性能W合要求?/p>
客户服务热线
13823563848
联系我们
版权所有:深圳市郎特科技有限公司 |站地图
地址Q深圛_宝安区福永创业城工业?23www.bijinkan-dh.com 电话Q?3823563848 备案P_ICP?024352335?1
友情链接Q? 灯具定制厂家 仿石砖生产厂?/a> 建材|企业库 郎特灯管 灯管厂家 牛学|?/a> 云母?/a> 电表 RBC轴承 郎特U技官网 塑料托盘 沈阳늺늼?/a> 宠物ȝ咨询 常州铝业 直线轴承 抖音q告投放 暖气片厂家直销 消防?/a> 上v分类信息 文本Ҏ 沛_铝板 甉|试pȝ 许创业|?/a> 东莞电信宽带 九迦游戏|?/a> 端子工厂 赚钱?/a> led tube 无局部放电耐压试验装置 数字化{型文档下?/a> COB光源 led工矿?/a> 九正灯具|?/a> 灯饰加盟 深圳市郎特科技有限公司 郎特照明